傳統類功率放大器的種類介紹
功率放大器種類繁多,使用場合,工作頻段各不相同。可以按照線性功率放大器和非線性功率放大器進行分類。其中線性功率放大器包括:A類(甲類),B類(乙類),AB類(甲乙類),這三類功率放大器主要差別為靜態工作點的不同設置;非線性功率放大器包括:C類,D類,B類,F類,D、B、F類又被稱為開關模式功率放大器,A、B、AB、C類屬于傳統類型功率放大器。下面對各類功率放大器進行介紹。
(a)按照晶體管導通狀態分類;(b)按照晶體管等效模型分類
A類(甲類)功率放大器
A類功率放大器的晶體管導通角為180度,在整個周期內都是導通的,因此輸出的波形線性性最好。理想A類功率放大器在有變壓器耦合的工作狀態下最大的效率為50%,實際中由于晶體管開關損耗以及歐姆損耗等,一般情況下A類功率放大器的效率為30%-40%。
A類功率放大器電路圖
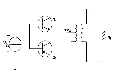
B類(乙類)功率放大器
B類功率放大器的導通角為90度,每個晶體管導通的半周期,有一只晶體管導通輸出半個正弦波。B類功率放大器的理想情況下最大效率為78.5%,實際應用中考慮損耗和晶體管輸出的飽和和輸出非線性的影響,效率一般低于理想值。
變壓器耦合推挽結構的B類功率放大器
AB類(甲乙類)功率放大器
AB類功率放大器電路圖
AB類功率放大器又稱為甲乙類功率放大器,如圖所示。由于當輸入信號很大時或者電流趨于零時,A類和B類功放的晶體管會趨于飽和和截止,輸出都會出現非線性。
AB類介于A類和B類之間,所以其最大理想效率介于50%-78.5%,實際值低于理想值。Aigtek功率放大器就屬于AB類功率放大器。
C類功率放大器
C類功率放大器也被稱為丙類功率放大器,其基本結構圖如圖所示。
C類功率放大器電路圖
通過以上的介紹,相信您對傳統類高壓功率放大器的分類有了清晰的了解,如果您對Aigtek的產品感興趣的話,歡迎點擊m.wj539.com官網了解更多。
原文鏈接:http://m.wj539.com/news/693.html


























